Cerca
Filters
Close

WEA12832W#SP3N00000-FC

PMOLED 0.91" Graphic 128x32, White color, COG + PCB, 3V, Interface SPI, Glare

DESCRIPTION

The WEA12832W#SP3N00000-FC 0.91" OLED Display I2C with PCB is designed for compact, low-power applications requiring high-resolution display solutions. With a 128×32 resolution and the CH1120 driver IC, this OLED display supports 4-bit grayscale, ensuring clear and crisp visual output. The module supports both SPI and optional I2C interfaces, providing flexibility for various system integrations.

Key Features:

  • Size: 0.91" OLED, 128×32 resolution
  • Interface: Default SPI, Optional I2C
  • IC: CH1120
  • Power Supply: 3V
  • Grayscale: 4-bit
  • Display Color: White
  • Duty Cycle: 1/32
  • Display Mode: Passive Matrix

Applications:

Ideal for applications where space and power efficiency are critical:
  • Wearables: Smartwatches, fitness trackers, and other portable devices.
  • Portable Electronics: Handheld diagnostic tools and remote controls.
  • Industrial Instruments: Small displays for medical devices and industrial controls.
  • IoT Devices: Low-power systems requiring compact, clear displays.

 

DRAWING

SPECIFICATIONS

General Specification

ItemDimensionUnit
Dot Matrix 128 × 32 Dots
Module dimension 36.2 × 21.0 × 5.36 MAX mm
Active Area 22.38 × 5.58 mm
Pixel Size 0.155 × 0.155 mm
Pixel Pitch 0.175 × 0.175 mm
Display Mode Passive Matrix
Display Color Monochrome
Drive Duty 1/32 Duty
Gray Scale 4 bits
IC CH1120
Interface 4-wire SPI
Size 0.91 inch

 

Absolute Maximum Ratings

ParameterSymbolMinMaxUnit
Supply Voltage for Logic VCC -0.3 3.5 V
Operating Temperature TOP -40 +80 °C
Storage Temperature TSTG -40 +85 °C

 

Electronical Characteristics

DC Electrical Characteristics

ItemSymbolConditionMinTypMaxUnit
Supply Voltage for Logic VCC 2.8 3.0 3.3 V
Input High Volt. VIH 0.8×VCC VCC V
Input Low Volt. VIL VSS 0.2×VCC V
Output High Volt. VOH 0.8×VCC VCC V
Output Low Volt. VOL VSS 0.2×VCC V
Display 50% Pixel on ICC VPP=3V 10.5 16.0 mA

 

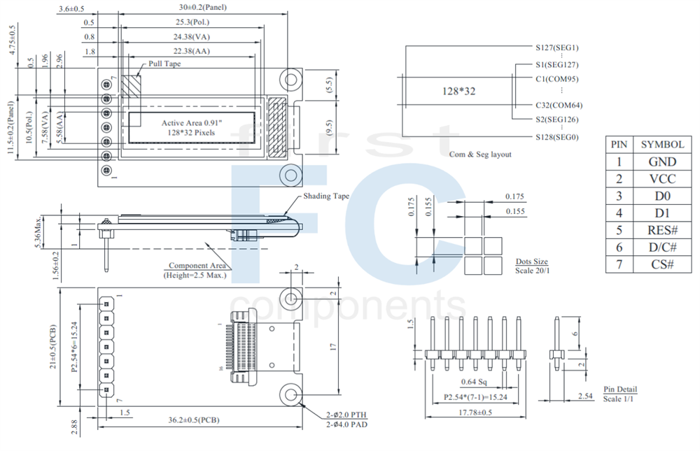
Interface Pin Function

No.SymbolFunction
1 GND GND.
2 VCC Power supply pin for core logic operation
3 D0 The serial clock input pad.
4 D1 The serial data input pad.
5 RES# This is a reset signal input pad. When RES is set to “L”, the settings are initialized. The reset operation is performed by the RES signal level.
6 D/C# This is the Data/Command control pad that determines whether the data bits are data or a command.
7 CS# This pad is the chip select input.
SKU: WEA12832W#SP3N00000-FC
Brand: Winstar
Disponibile: Si
Prezzi per quantità
Quantità
1+
5+
10+
25+
Prezzo
€7,40
€5,40
€5,20
€5,10

Per quantita’ maggiori di 25pz prego invii la richiesta a [email protected] o chiami il +39 0332 1888005

€7,40 IVA esclusa

DESCRIPTION

The WEA12832W#SP3N00000-FC 0.91" OLED Display I2C with PCB is designed for compact, low-power applications requiring high-resolution display solutions. With a 128×32 resolution and the CH1120 driver IC, this OLED display supports 4-bit grayscale, ensuring clear and crisp visual output. The module supports both SPI and optional I2C interfaces, providing flexibility for various system integrations.

Key Features:

  • Size: 0.91" OLED, 128×32 resolution
  • Interface: Default SPI, Optional I2C
  • IC: CH1120
  • Power Supply: 3V
  • Grayscale: 4-bit
  • Display Color: White
  • Duty Cycle: 1/32
  • Display Mode: Passive Matrix

Applications:

Ideal for applications where space and power efficiency are critical:
  • Wearables: Smartwatches, fitness trackers, and other portable devices.
  • Portable Electronics: Handheld diagnostic tools and remote controls.
  • Industrial Instruments: Small displays for medical devices and industrial controls.
  • IoT Devices: Low-power systems requiring compact, clear displays.

 

DRAWING

SPECIFICATIONS

General Specification

ItemDimensionUnit
Dot Matrix 128 × 32 Dots
Module dimension 36.2 × 21.0 × 5.36 MAX mm
Active Area 22.38 × 5.58 mm
Pixel Size 0.155 × 0.155 mm
Pixel Pitch 0.175 × 0.175 mm
Display Mode Passive Matrix
Display Color Monochrome
Drive Duty 1/32 Duty
Gray Scale 4 bits
IC CH1120
Interface 4-wire SPI
Size 0.91 inch

 

Absolute Maximum Ratings

ParameterSymbolMinMaxUnit
Supply Voltage for Logic VCC -0.3 3.5 V
Operating Temperature TOP -40 +80 °C
Storage Temperature TSTG -40 +85 °C

 

Electronical Characteristics

DC Electrical Characteristics

ItemSymbolConditionMinTypMaxUnit
Supply Voltage for Logic VCC 2.8 3.0 3.3 V
Input High Volt. VIH 0.8×VCC VCC V
Input Low Volt. VIL VSS 0.2×VCC V
Output High Volt. VOH 0.8×VCC VCC V
Output Low Volt. VOL VSS 0.2×VCC V
Display 50% Pixel on ICC VPP=3V 10.5 16.0 mA

 

Interface Pin Function

No.SymbolFunction
1 GND GND.
2 VCC Power supply pin for core logic operation
3 D0 The serial clock input pad.
4 D1 The serial data input pad.
5 RES# This is a reset signal input pad. When RES is set to “L”, the settings are initialized. The reset operation is performed by the RES signal level.
6 D/C# This is the Data/Command control pad that determines whether the data bits are data or a command.
7 CS# This pad is the chip select input.
Specifiche di prodotto
Brand Winstar
Size 0.91"
Risoluzione 128x32
Area Attiva (mm) 22.38x5.58
Dot Size 0.15x0.15
Polarizzatore Glare
Colore White
Alimentazione 3V
Interfaccia Display SPI (option I2C)
Display IC CH1120
Struttura Costruttiva COG + PCB
Frame Yes
Touch Panel No touch
Temperatura O. (°C) -40~80
Connessione Display Pin Strip
Nr. Pin 7
Passo Pin 2.54mm
Preferred - Not Preferred Preferred
Download
Specifiche di prodotto
Brand Winstar
Size 0.91"
Risoluzione 128x32
Area Attiva (mm) 22.38x5.58
Dot Size 0.15x0.15
Polarizzatore Glare
Colore White
Alimentazione 3V
Interfaccia Display SPI (option I2C)
Display IC CH1120
Struttura Costruttiva COG + PCB
Frame Yes
Touch Panel No touch
Temperatura O. (°C) -40~80
Connessione Display Pin Strip
Nr. Pin 7
Passo Pin 2.54mm
Preferred - Not Preferred Preferred